| 材质 | 钢材 | 使用温度 | 常温(℃) |
| 适用范围 | 其他 | 作用 | 液压通孔密封栓塞 |
| 是否进口 | 是 | 品牌 | HALDER |
| 型号 | 2288. | 样品或现货 | 现货 |
| 是否标准件 | 标准件 | 使用压力 | 常压(MPa) |
| 截面形状 | O型 | 性质 | 其他 |
供应HALDER德国进口密封栓塞2288.系列
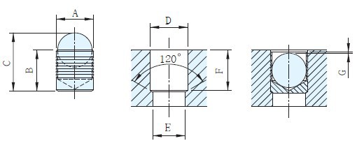
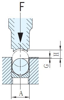
2288.系列密封栓塞产品,是德国HALDER品牌进口,其特长如下:安全快速与低成本的液压通孔密封栓塞;基质材料钻孔后,指定安装工具敲入即可。在确定密封栓塞的型号时,要注意选择好密封栓塞的工作压力与与预测压力。
南京耐思特机电设备有限公司自2009年成立以来,一直致力引进***技术及***前沿的标准机械零件,现已成为多家***品牌标准机械零件的***代理商,同时自主研发与国内市场同步的产品,来满足国内不同层级用户需求。
代理销售的欧洲品牌有:以品质见长的德国GANTER标准机械零件,操作件;Halder机械零件、***柱、弹簧柱塞;Stabilus***簧;Norelem分度销,球头柱塞;RS***珠,弹性柱塞等;享誉世界的意大利的ELESA把手、手轮等操作件;英国WDS自动化零件、机床附件;西班牙AZOL-GAS氮***簧等。
2288.系列密封栓塞实拍图片如下:




2288.004系列
本体 材质:钢材
材料:镀锌
珠子 材质:轴承钢


2288.053系列
本体 材质:SUS303
材料:镀锌
珠子 材质:轴承钢



