企业资质

永嘉瑞杰阀门制造公司

普通会员14
|
企业等级:普通会员
经营模式:
所在地区:浙江 温州
联系卖家:
手机号码:
公司官网:tong0535.cn.alibaba.com/
企业地址:
企业概况

永嘉瑞杰阀门制造公司地处美丽如画的旅游风景区楠溪江畔瓯北镇—“中国泵阀之乡”,临近机场、火车站交通便利的工业重镇。是生产中、低压大口径冶金、污水、建材、电力阀门的专业厂家。我公司成立于2010年3月,是一家集开发、生产、销售为一体的私营企业,公司技术力量雄厚,拥有众多技术人员,设有CAD的设计中心,......

TYFZ调压阀组 TYFZ煤气调压阀组 高炉调压阀组 TYFZ-90 TYFZ-125

产品编号:4141555                    更新时间:2020-08-17
价格: 来电议定

永嘉瑞杰阀门制造公司

  • 主营业务:扇形盲板阀,液压放散阀,尘气蝶阀,通风蝶阀,密封蝶阀,铸铁闸...
  • 公司官网:tong0535.cn.alibaba.com/
  • 公司地址:

联系人名片:

联系时务必告知是在"产品网"看到的

产品详情
是否提供加工定制 品牌 瑞杰阀门
型号 TYFZ 材质 碳钢
连接形式 法兰 结构形式 垂直板式
适用介质 煤气、尘气等气体 压力环境 常压
工作温度 常温 标准 国标
驱动方式 自动 口径 1000-3000
公称通径 1000-3000

TYFZ调压阀组 TYFZ煤气调压阀组 高炉调压阀组 TYFZ-90 TYFZ-125

 

公称通径:1000-3000

公称压力:0.25MPA

适用温度:≤350℃

适用介质:煤气、尘气等气体

 

   TYFZ型调压阀组,由ZAJW-3型自动调节蝶阀及通常管道组成。在使用中一般用一台ZAJW-3型自动调节阀通过DDZ型电动单元组合仪表进行自动控制,其余二台ZAJW-3型自动调节阀,由阀门配制的DKJ电动执行器通过仪表盘上的手动操作器控制进行粗调,以达到对系统流量和压力之调节。

 

      TYFZ型调压阀组,适用于冶炼高炉系统及其他需要通过流量、压力调节保持稳定生产的系统。阀组适用于温度<400℃,适用压力<0.3MPa。

 

      本阀组安装在水平面管道上时无方向要求,但是常通管应置于阀组下方,以保证在系统温度下降时冷凝水的排出,安装在垂直管道上时应考虑电动执行器的工作位置。(订货时应注明)

 

调压阀组主要零件材料:

零件名称

阀体

阀板

阀杆

连接筒

大小法兰

密封垫

材料

碳素钢

碳素钢

合金钢

碳素钢

碳素钢

石棉橡胶

 

调压阀组技术性能:

阀组型号

介质温度℃

介质压力MPa

介质流量m3/h

阀门转角

备注

TYFZ-10

≤350

-0.05

-30000

0-90°

-

TYFZ-30

-0.07

48000-58000

0-90°

-

TYFZ-38

-0.07

68000-85000

0-90°

-

TYFZ-65

-0.1

111000-130000

0-90°

-

TYFZ-75

-0.15

137000-157000

0-90°

-

TYFZ-90

-0.2

170000

0-90°

-

TYFZ-100

-0.2

187000

0-90°

-

TYFZ-125

-0.25

205000

0-90°

-

TYFZ-135

-0.25

250500

0-90°

-

自动调节阀配用电动装置性能参数

 DN

电动执行机构

电源电压力、输入信号电流

单程(90°) 启闭时间

型号

输出力矩

250

DKJ-210 或 DKJ-210Q

100N.m

DDZ- II 型 0-10mA DDZ III 型 4-20mA

25

300

25

350

DKJ-310或 DKJ-310Q

250N.m

400

25

450

600

DKJ-410或 DKJ-410Q

600N.m

25

700

800

DKJ-510或 DKJ-510Q

1600N.m

900

25

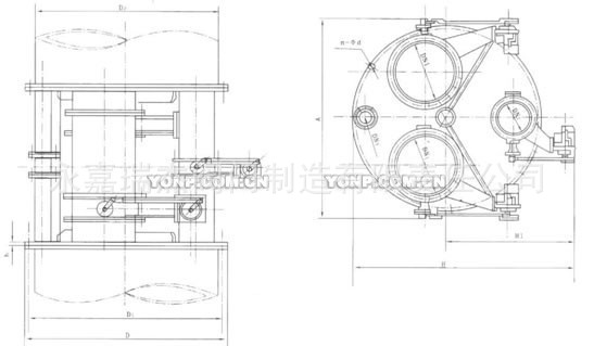
主要外形及连接尺寸表

阀组型号

D

D1

L

b

n-Φd

A

A1

Η

H1

阀门配制

许用流量(m3/h)

重量 (kg)

对应 管道

TYFZ-25

1990

1930

1000

30

44-Φ30

3600

1800

2150

1150

600x2+300x1+150

55000-65000

2800

1200

TYFZ-30

1990

1930

1000

30

44-Φ30

3600

1800

2150

1150

700x2+300x1-150

65000-77000

3200

1300

TYFZ-40

1990

1930

1000

30

44-Φ30

3600

1800

2250

1250

700 χ 1+800 χ 1+350 χ+150

77000-91000

3400

1400

TYFZ-50

2190

2130

1200

30

48-Φ30

3800

1900

2600

1500

800x2+400x1+200

91000-105000

3700

1500

TYFZ-60

2305

2240

1200

30

48-Φ30

4000

2000

2800

1600

800 χ 1 +900 χ 1 +400 χ 1 +200

105000-120000

4900

1600

TYFZ-65

2190

2130

1200

30

48-Φ30

4000

2000

2800

1600

700x3+350x1+200

111000-130000

5000

1700

TYFZ-75

2305

2240

1200

30

48-Φ33

4000

2000

2800

1600

900x2+500x1+200

120000-150000

5300

1800

TYFZ-90

2405

2340

1200

30

52-Φ 33

4000

2000

2550

1350

800x3+400x1+250

137000-170000

6700

1900

TYFZ-100

2605

2540

1200

30

56-Φ33

4200

2100

3000

1700

1000x2+500x1+200

150000-190000

7000

2000

订货须知:
1. 订货时应注明高炉每小时产气量(流量),压力,煤气相对湿度(每m3含湿量)。
2. 订货时应注明自动调节蝶阀输入信号。
3. 垂直管道安装及对电动执行机构的防爆要求在订货时说明。

 

调压阀组结构图:

 





永嘉瑞杰阀门制造公司电话:传真:联系人:

地址:主营产品:扇形盲板阀,液压放散阀,尘气蝶阀,通风蝶阀,密封蝶阀,铸铁闸...

Copyright © 2025 版权所有: 产品网店铺主体:永嘉瑞杰阀门制造公司

免责声明:以上所展示的信息由企业自行提供,内容的真实性、准确性和合法性由发布企业负责。产品网对此不承担任何保证责任。