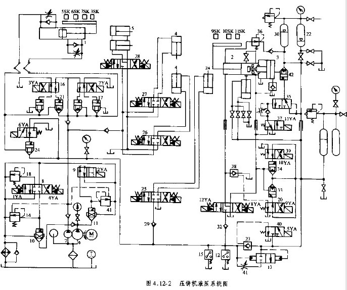
压铸机液压系统原理图:

以上压铸机液压系统原理图是根据客户的要求设计出各种类型的液压系统原理图,都是经过工程师经过精心设计,用于各种机械设备上的原理图,***比较典型的一些液压设备,有数控机床、加工中心、龙门磨床、龙门铣床 、镗床、卷平线、折弯机等液压系统原理图。
主营批发齿轮油泵产品广泛应用于塑料机械、矿山机械、冶金机械、石油化工机械、精密机床、橡胶注塑机械,轻工制鞋机械,工程车辆机械以及机床制造行业等。...
| 价格: | ¥100.00 |
联系时务必告知是在"产品网"看到的
压铸机液压系统原理图:

以上压铸机液压系统原理图是根据客户的要求设计出各种类型的液压系统原理图,都是经过工程师经过精心设计,用于各种机械设备上的原理图,***比较典型的一些液压设备,有数控机床、加工中心、龙门磨床、龙门铣床 、镗床、卷平线、折弯机等液压系统原理图。
上海域昊机电科技有限公司电话:传真:联系人:
地址:主营产品:主营内啮合齿轮油泵
Copyright © 2025 版权所有: 产品网店铺主体:上海域昊机电科技有限公司
免责声明:以上所展示的信息由企业自行提供,内容的真实性、准确性和合法性由发布企业负责。产品网对此不承担任何保证责任。