企业资质

泰兴市双润齿轮泵厂

普通会员16
|
企业等级:普通会员
经营模式:
所在地区:江苏 泰州
联系卖家:
手机号码:
公司官网:www.sxclb.com
企业地址:
企业概况

泰兴市双润齿轮泵厂专业生产双向齿轮泵,广泛应用于机床、液压机械、稀油站,润滑设备,工程机械、矿山机械、起重运输机械、橡塑机械、注塑机械、胶合板机械、轻工机械、纺织机械液压系统中以及冶金、船舶等行业。产品检测设备齐全、质量稳定可靠,主要产品:CB-B系列齿轮油泵、NB-B系列摆线齿轮油泵、HY01系列......

电机 A02 5024

产品编号:4724479                    更新时间:2020-08-15
价格: ¥10.00

泰兴市双润齿轮泵厂

  • 主营业务:齿轮泵,双向润滑泵,高压齿轮泵,齿轮油泵电机组
  • 公司官网:www.sxclb.com
  • 公司地址:

联系人名片:

联系时务必告知是在"产品网"看到的

产品详情

 

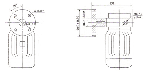
 该装置是为各类机械及减速机专用的微量润滑源,其结构紧凑、美观大方、连接安装方便,深受广大机械行业亲睐。用户安装可用60法兰,直接与各机械的箱体联接,也可用M10×1的管接头用油管吸油。本系统能适应粘度在38cst以下的各种润滑油,温度在0~60℃范围内,建议6个月换油一次,过滤精度不大于30um,连续使用的滤油器应经常清洗保持通畅,出油口管路通径总和不能小于6毫米,分油器上要有溢流装置防止产生内压。

 

技术参数、规格

型号

流量L/min

压力MPa

转速r/min

吸油高度m

电机功率W

ZCB-0.8

0.8

0.6

1400

0.5

40

ZCB-1.2

1.2

0.6

1400

0.5

60

ZCB-1.5

1.5

0.6

1400

0.5

80

ZCB-2.5

2.5

0.6

1400

0.5

120

 

 

泰兴市双润齿轮泵厂电话:传真:联系人:

地址:主营产品:齿轮泵,双向润滑泵,高压齿轮泵,齿轮油泵电机组

Copyright © 2025 版权所有: 产品网店铺主体:泰兴市双润齿轮泵厂

免责声明:以上所展示的信息由企业自行提供,内容的真实性、准确性和合法性由发布企业负责。产品网对此不承担任何保证责任。