MPM416WK型铠装插入式液位变送器由高性能扩散硅压阻式压力传感器作为测量元件,把与液位深度成正比的液体静压力准确测量出来,并经过信号调理电路转换成标准(电流或电压)信号输出,建立起输出信号与液体深度的线性对应关系,实现对液体深度的测量。产品精度高、体积小,直接投入液体中,即可测量出变送器末端到液面的液体高度,使用方便。适用于石油、化工、电厂、城市供水、水文勘探领域的液位测量与控制。

|
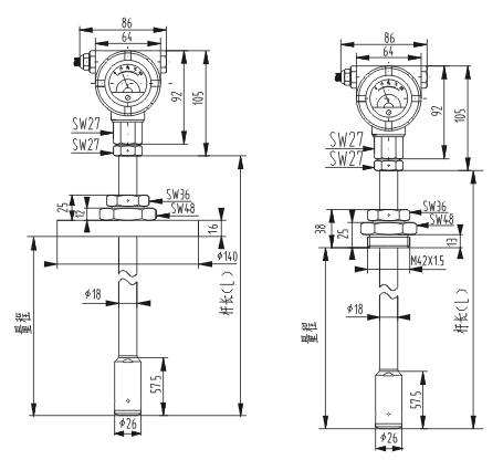
•MPM416WK型不锈钢管铠装防护,标准法兰安装,可现场显示,现场调校; •防爆型产品符合GB3836.4标准的ExiaⅡCT6要求,取得了防爆合格证; •船用型产品符合CCS《钢质海船入级规范》(2006)的要求,获得船用产品型式认可证书; |
||||||||||||||||||||||||||||||||||||||||||||||||||||||||||||||||||||||||||||||||||||||||||||||||||||||||||||||||||||
![]() |
||||||||||||||||||||||||||||||||||||||||||||||||||||||||||||||||||||||||||||||||||||||||||||||||||||||||||||||||||||
![]() |
||||||||||||||||||||||||||||||||||||||||||||||||||||||||||||||||||||||||||||||||||||||||||||||||||||||||||||||||||||
![]() |
||||||||||||||||||||||||||||||||||||||||||||||||||||||||||||||||||||||||||||||||||||||||||||||||||||||||||||||||||||
选型指南
|
MPM416W型 |
投入式液位变送器 |
|||||
|
MPM416WK型 |
铠装插入式液位变送器 |
|||||
|
MPM416WRK型 |
软铠装液位变送器 |
|||||
|
|
量程(mH2O) [0~X mH2O]L |
L:电缆线长度,选用时建议L-X=(1~2)m |
MPM416W型 |
|||
|
L:铠装钢管的长度 |
MPM416WK型 |
|||||
|
L:软钢管的长度 |
MPM416WRK型 |
|||||
|
|
代号 |
输出信号 |
||||
|
E |
4~20mADC |
|||||
|
F |
1~5VDC |
|||||
|
J |
0~5VDC |
|||||
|
Q |
0~10mADC |
|||||
|
U |
0~20mADC |
|||||
|
V |
0~10VDC |
|||||
|
|
代号 |
结构材料 |
||||
|
隔离膜片 |
接口 |
壳体 |
||||
|
22 |
不锈钢316L |
不锈钢 |
不锈钢 |
|||
|
25 |
钽 |
不锈钢 |
不锈钢 |
|||
|
|
代号 |
附加功能 |
||||
|
M1 |
0~100%线性指示表(不含MPM416WRK型) |
|||||
|
i |
本安防爆型ExiaⅡCT6 |
|||||
|
C1 |
M20×1.5外螺纹压力接口,端面密封 |
MPM416W型 |
||||
|
C3 |
G1/2外螺纹压力接口 |
|||||
|
C5 |
M20×1.5外螺纹压力接口,水线密封 |
|||||
|
T |
船用 |
|||||
|
F1 |
固定法兰(不含MPM416WK型) |
MPM416WK型 |
||||
|
1F1 |
不锈钢法兰1 DN50 |
|||||
|
1M1 |
不锈钢外螺纹M42×1.5 |
|||||
|
1F2 |
不锈钢法兰2 DN10 |
|||||
|
1M2 |
不锈钢外螺纹M30×1.5 |
|||||
|
2F1 |
碳钢镀锌法兰1 DN50 |
|||||
|
2M1 |
碳钢镀锌外螺纹M42×1.5 |
|||||
|
2F2 |
碳钢镀锌法兰2 DN10 |
|||||
|
|
|
|||||
|
MPM416W |
[0~3mH2O]5 |
E |
22 |
iC1 |
完整的型号规格 |
|
选型提示
1、被测介质应与接触产品部分的材料相兼容,同时需要注明被测介质在测量状态时的密度(水除外)。
2、电缆线材质有两种,聚氨脂较为柔软,耐磨性好,可选择使用。在没有特殊注明要求的情况下,按聚乙烯电缆材料供货。
3、产品安装于多雷地区时,订货时应注明“防雷”,同时建议用户在现场加装防雷击保护装置,并确保产品及电源可靠接地。
4、MPM416WK型产品的铠装钢管长度超过2m时,因发货不便,将向用户提供分段安装钢管,由用户在现场自行装配。
5、特殊要求,敬请与本公司商洽,并在订单中予以注明。
香港麦克传感器产品目录
OEM压力敏感元件
MPM180/MPM185 TO-8封装压阻式压力敏感元件
MPM280 压阻式OEM压力敏感元件
MPM281 高稳压阻式OEM压力敏感元件
MPM283 压阻式OEM压力敏感元件
MDM290 压阻式OEM差压敏感元件
液位测量
MPM4700型 液位变送器
MPM416W型 投入式液位变送器
MPM416WK型 铠装插入式液位变送器
MPM416WRK型 软铠装液位变送器
MPM180/MPM185 TO-8封装压阻式压力敏感元件
MPM280 压阻式OEM压力敏感元件
MPM281 高稳压阻式OEM压力敏感元件
MPM283 压阻式OEM压力敏感元件
MDM290 压阻式OEM差压敏感元件



