杰理AC690N AC691N AC692N 全系通用晶振 四脚稳定性,抗干扰好 适用于所有杰理蓝牙 特别是带有电机电路中
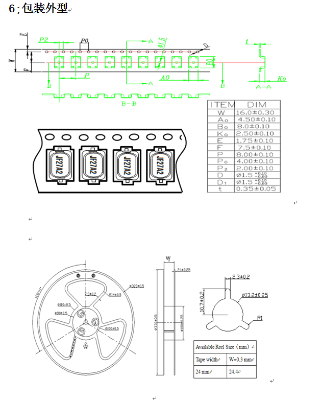
包装:盘装 3000PCS/盘
规格书请找***
,石英晶体一般规格及特性
1.一般特性 |
||
|
|
标称频率 |
24.000000 MHz |
|
|
振动模式 |
Fundamental |
|
|
盒型 |
49SS-7-***D |
|
|
工作温度 |
-20℃to + 70℃ |
|
|
工作湿度 |
10%~85%RH(N0 dew condensation) |
|
|
保存环境温度 |
-40℃to +85℃ |
|
|
保存环境湿度 |
10%~90%RH(Water vapor pressure 6643Pa max) |
|
|
保存期 |
3year 捆包时(-10℃~40℃ 70%RH )超期产品必须确认端子可焊性 |
|
|
故障率 |
3.01 fit |
2.电气性能 |
||
|
|
调整频差 |
&plu***n;10PPM |
|
|
温度频差 |
&plu***n;20PPM/-20℃~+70℃(+25℃基准) |
|
|
负载电容 |
12 PF |
|
|
Measure Instrument |
250B Pi-Network |
|
|
激励功率 |
100uW |
|
|
等效电阻 |
50Ωmax (At -20℃to+70℃) |
|
|
分布电容 |
5.0 PF Max |
|
|
绝缘阻抗 |
500 MΩ Min 100VDC/+15VDC |
|
|
老化 |
&plu***n;5 PPM/Year |




