具体价格根据具体参数不同有所差异
请在线联系卖家咨询售价及技术问题
1、智能照明控制系统概述
1.1 系统的架构

2 Acrel-bus智能照明控制系统中,所有的设备都是通过一种统一的通信介质(如:双绞线、电力线或868 MHz无线通信)相互连接在一起。
2 该系统中,所有的设备及整个系统如何工作都是通过ETS工具软件(Engineering Tool Software)编制定义的。
2 系统中,除电源模块外,所有的总线设备都拥有***的物理地址,物理地址一般是根据实际工程的拓扑结构确定的。
2 开关、调光等控制信号都是以报文的形式在总线上的各个设备间进行传输的。

1. Acrel-Bus智能照明控制系统采用分层结构,系统分为线、区域这两级结构单元。
2. 线是系统中***小的结构单元,一条线至少需要一个电源,***多可供应64个总线设备。每条支线实际所能连接的设备数取决于所选电源的电容量和支线元件的总耗电量。
3. 一个区域上***多可有15条线通过线路耦合器连接。一个区域中***多可连接15x64个总线元件。
4. 系统可通过区域耦合器、支线耦合器扩大其容量,一个系统***多可以由15个区域组成,系统中***多可连接15*15*64=14400个元件。
注意:在同一条支路中:所有系统总线电缆总和不超过1000米,
任何两个元件之间的总线电缆长度均不超过700米,
电源到任何元件的总线电缆长度均不超过350米,
如若有两个电源供应器,电源之间的总线电缆长度不得小于200米。
1.2. 系统的优点
Acrel-Bus智能照明控制系统的优点体现在以下几个方面:
1. 系统所采用的KN***线标准有多家制造商支持,产品只要符合KNX标准,就可实现互换性,可做到不同厂商不同产品间无缝兼容,便于将来的维护。
2. 系统结构是分布总线式结构,系统内各智能模块不依赖于其他模块而能够***工作,模块之间应是对等关系,所以系统可靠性更高。
3. 实现多点共同控制时,不需要增加连接线的数量,系统内任何一点的控制方式,只需通过设备参数设置实现。
4. 可在iPad上实现智能控制,控制界面可选择语言,可加入图片,控制更便捷更人性化。
5. 智能照明控制系统可自成体系,也可通过OPC方式与BA系统互联。
6. 系统维护方便,更换或升级系统内元件时,不需要关闭整个系统。
7. 该系统有多种控制方式,例如可以实现就地智能面板控制、***感应控制、光线感应控制、定时控制、场景预设控制及集中控制。
8. 该系统能与消防系统进行联动,在出现消防报警时,可由系统强制打开所有回路,方便人员疏散。
9. 总线元件及现场控制面板运行在30VDC安全低电压下。
10. 该系统中多种控制方式可灵活结合使用,使得管理更方便更人性化。
1.3. 系统的功能
Ø 手动控制:根据实际要求通过安装在各个区域的智能面板和触摸屏可实现对灯光开/关、亮
度等实现实时控制。
Ø 自动控制:可用不同功能的传感器(如:照度传感器和***移动传感器)可根据外界坏境实现对灯光
的自动控制。
Ø 场景控制:可预先设置不同场景进行切换。
Ø 定时控制:系统自动按照预设的运行时间完成灯光的控制,确保在非正常工作时间内的***
小能源消耗。
Ø ***控制:对于所有的控制可实现实时监控并有效控制整个照明区域。使得控制方式更加
方便快捷,节省人力电力。
Ø 系统联动:该照明系统可与物业管理系统,楼宇自控系统,安防及消防系统联动。

2、智能照明控制系统的设计
系统中受控的负载直接与控制系统的驱动器相连,所有传感器(如智能面板、传感器)和驱动器(如开关驱动器盒调光驱动器)都通过KN***线线缆相互连接到一起。当智能面板按下或者传感器监测到光照度或***移动时,它们会通过KN***线线缆向设定的驱动器发送信号(以电信号的形式发送),从而控制相应的负载(如灯、窗帘等)。

2.1.系统结构拓扑图

图例为系统结构拓扑图,该组网方式适用于楼层平面内配电箱分散的建筑如:办公楼、商场、图书馆、会展中心等。
设计解析:
Ø 每一层的设备通过手拉手相连形成一条总线。
Ø 各楼层配电箱中的各个驱动模块与现场智能面板和传感器通过控制总线相连形成线路。各驱动模块采用标准DIN导轨安装方式;智能面板采用标准86盒安装;传感器采用嵌入式吸顶安装。
Ø 不同支线通过线路耦合器连接形成一个系统,系统可集中控制所有设备。
系统为两层总线组网结构,即设备层、线路层。
该照明系统架构的优点集中体现在灵活和稳定两方面:
2 灵活性:系统采用树状结构拓展,每个总线设备的位置在系统中基本可以随意摆放。另外,整个系统构架可大可小,适用于不同类型、不同规模的项目。
2 稳定性:由于系统中每个线路有自己的供电电源,这些电源在电气上是相互隔离的,这样一条线路上发生的故障不会影响其他线路,确保整个KNX/EIB系统的高度稳定性。
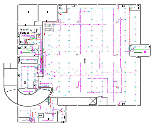
2.2.强电回路分布平面图

1. 确定控制的范围与区域;确定控制对象。
2. 明确不同区域、不同灯具的划分,方便下一步确定传感器、控制面板的分布。
2.3.传感器分布平面图

确定控制面板、传感器、配电箱的数量及位置。
确定总线对设备的连接次序及走向。
确定感应设备通信线的连接走向。
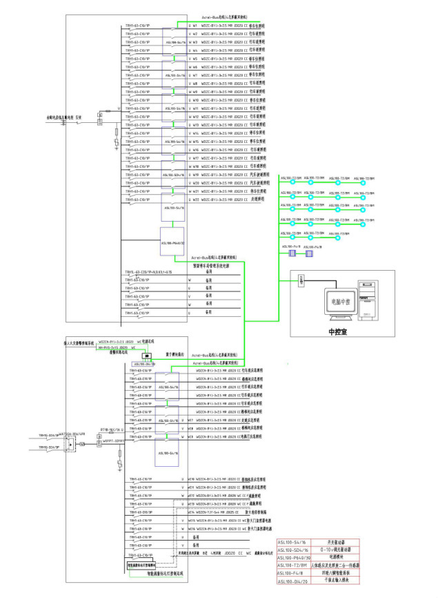
2.4.强弱电系统图

2.5.系统的接线图

3、智能照明控制系统产品选型
3.1. 开关驱动器
功能说明
用于对设备进行开关控制的驱动器,具有开关、逻辑控制、***开关、预设、场景、阈值开关等功能。
◆ 手动控制
◆ 时间功能,ON/OFF***、闪烁、楼梯灯
◆ 场景控制
◆ 预设功能
◆ 逻辑功能
◆ 阈值功能
◆ 电热阀驱动器控制
◆ 总线掉电和掉电复位后继电器开关位置选择
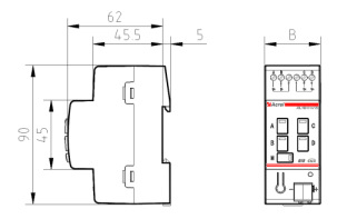
外形尺寸


3.2. 0-10V调光驱动器
功能说明:
2路0-10V调光器,可对每路进行回路开关控制并输出0-10V调光信号对具有0-10V调光接口的灯具进行调光。
◆调光功能
◆开关功能
◆场景功能
◆状态反馈(开关状态和调光值)
外形尺寸


3.3. ***感应及光照度二合一传感器
功能说明:
该传感器是一种能感受外界信号、物理条件(如光、移动)的设备装置,并能将感应的信息传递给其它设备装置(如调光器、开关驱动器)以实现其功能。主要用于照明中与亮度有关的场合,或者需要监控的场合,即监控是否有人移动,然后执行动作。
◆ 照度感应
◆ 移动监测
◆ 光照度阈值设定
◆ 带10级灵敏度***监测
◆ 逻辑功能
◆ 移动、光照度、逻辑功能使/失能
外形尺寸


3.4. 总线电源
功能说明
KNX/EIB系统标准供电电源,640mA输出电流,***多可以为64个设备供电,带总线复位、过流指示和短路保护。标准导轨安装。
电源模块为总线上各个模块提供电源,耦合总线信号。按下复位按键,会持续20秒以上的总线复位时间。连接到总线上的设备在复位期间***到它的初始状态。如果需要长时间断开电源,则需要切断供电电源。
另外本系列的电源提供一个30V的辅助直流电压,为其他的外设(如触摸屏幕、IP网关等)供电。
外形尺寸


3.5. 智能面板
功能说明
用于接受按键触动信号,可通过区分短按与长按并结合不同参数配置实现开关、调光、场景、窗帘控制、调温、报警等功能。
◆ 开关功能
◆ 调光控制
◆ 百叶窗控制
◆ 数值发送
◆ 场景控制
外形尺寸


3.6. 干接点输入模块
功能说明
用于接受外部干接点信号输入,可通过不同参数配置实现开关、调光、场景、窗帘控制、数值发送、计数等功能。
◆ 外接输入控制和手动按键控制
◆ 开关功能
◆ 调光功能
◆ 百叶窗控制
◆ 数值发送
◆ 场景控制
◆ 预设顺序发送
◆ 计数功能
◆ 多重操作
◆ 手动操作状态指示
外形尺寸


3.7.PC控制端和智能控制终端
PC控制端
Winswith 3是一种智能照明控制上位机管理软件,广泛应用在智能建筑、体育馆、机场等需要多层次照明控制的场合。可实现功能有:
可插入emp、wmp、bmp、jpg、gif、clp等图形;
可对系统中的设备实现定时、逻辑、***、场景等控制;
可对设备的开关进行计次或计时的统计;
可实现多种信息统计,如状态、温度等;
可编辑不同楼层的图形,并可互相切换显示;
可显示不同级别的用户密码。


智能控制终端
ayControl是KNX,DMX和Dali家庭自动化系统的视觉控制和连接管理软件,
可将其安装在手机或平板电脑上,对智能照明实现更便捷、更智能的控制功能。
将ayControl装入手机或平板电脑后,使得KNX传感器和开关系统不需要太多额外安装,
降低了整个智能系统成本。
4、智能照明控制系统应用方案
4.1. 办公大楼应用方案
办公环境不仅要有足够的工作照明,更应营造一个舒适的视觉环境。现***公楼的照明已经成为直接影响办公效率的主要因素之一,因此,越来越引起人们的高度重视。做好照明设计,加强照明控制设计,已成为现代智能办公大楼的一个重要内容。

4.2. 校园应用方案
学校、***的灯光照明由***控制室监控,根据上下课的时间或上下班的时间预先设定各校时或办公室区域灯光照明的开启、关闭时序、减轻人工操作的工作量。在走廊和楼梯间公共区域当有人经过或者靠近时,智能感应器会把灯光自动打开,实现人来灯亮,人走灯灭。

4.3. 厂房应用方案
企业厂房的照明系统多采用传统的照明配电箱分散式配电和控制,由于缺乏有效的集中的照明控制装置,所以控制极其不便,加之线路多而复杂,致使主厂房照明系统存在布线困难、检修难度大、浪费多和操作控制麻烦等系列问题。使用智能照明系统就可显著改善以上问题,提高管理效率。

如想了解更多请联系:
公 司:江苏安科瑞电器制造有限公司
公司地址:江苏省江阴市南闸镇东盟工业园区东盟路5号
技术支持:戴*** 18860995103 0510-86179967
***:2880157871
传真:0510-86179963
邮编:214405
E-mail:2880157871@***.com
网址:http://rel-et.com/
