1、结构特点:
DHD11-2小型电磁失电制动器,是在失电(不通电)状态时,由弹簧力将衔铁与摩擦片压紧,产生摩擦力矩,摩擦片则通过联结与旋转轴相连结,从而使旋转轴停止转动,达到制动的目的。相反当该制动器通电后,电磁力克服弹簧力吸引衔铁,使衔铁与摩擦片分离,二者间的摩擦力也随之消失,使旋转轴从新处于自由状态。由于DHD11-2小型电磁失电制动器,是在不通电的状态下,依靠弹簧力获得制动,因此具有稳定可靠的制动力矩,而且十分省能.其制动力矩的产生和释放的时间短,因此适用于高频操作状态以及制动时间大于联动时间的状态,对传动系统,输送系统的停止,保持及安全等有独特的作用。
2、应用范围:
可广泛应用于微型减速电机系统中。
2、应用范围:
可广泛应用于微型减速电机系统中。
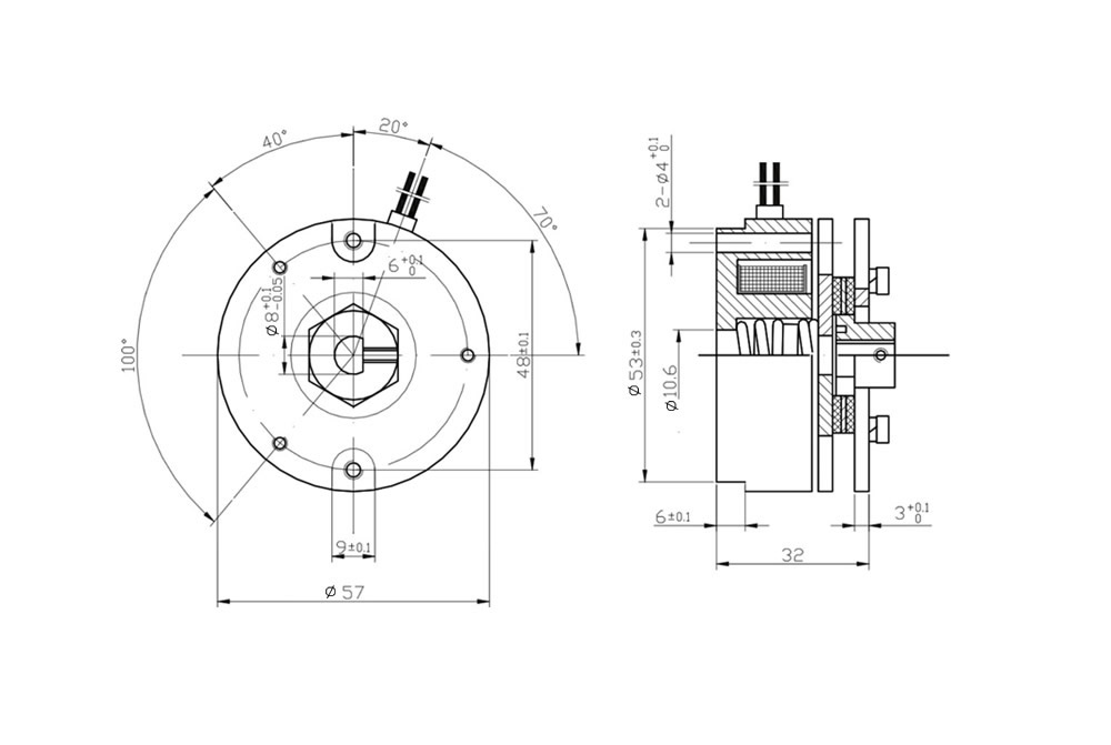
3、外形尺寸及技术数据:
DHD11-2
|
型号规格 |
制动力矩(N.M) |
线圈功率(W) |
额定电压DC(V) |
工作间隙(mm) |
|
DHD11-2 |
2 |
10 |
24 |
0.15&plu***n;0.05 |
4、使用注意事项:
(1)、使用的直流电源的电压波动不能超过额定电压值的&plu***n;5%;
(2)、使用的环境周围介质中应无操作的***和无足以腐蚀金属和***绝缘的气体及导电的尘埃。环境温度应在-5℃~+40℃之间.
(3)、安装时应将工作间隙调整到规定范围内.
(4)、联结套安装后不允许有轴向窜动.
(5)、应保持衔铁与摩擦片间,相对摩擦面的洁净,制动器应在干式条件下工作.
