1、结构特点:
LHQ系列单片微型电磁离合器,适用于精密机械传动系统,可在主动部分运转的情况下,使从动部分与主动部分结合或分离,从而达到变速、换向、高精度***,微动及制动等目的,并有缓冲启动过负载保护的作用。该产品结构紧凑、动作灵敏、空转力距小,通断时间短,可高频操作。
2、应用范围:
被广泛应用于办公自动化设备,计算机外设,仪器、仪表机械、高速印刷包装机械等领域。亦可作为伺服结构的控制元件。
3、外形尺寸及技术参数:
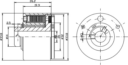
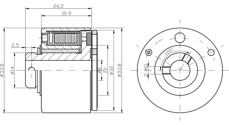
LHQ-34
|
型号
规格
|
静力矩
(N.m)
|
动力矩
(N.m)
|
额定电压
(DC)
|
功率
(20°C)
|
接通时间
(ms)
|
断开时间
(ms)
|
***大转速
(r/min) |
|
LHQ-34
|
0.55
|
0.50
|
24V
|
6W
|
40
|
35
|
1000
|
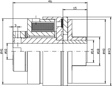
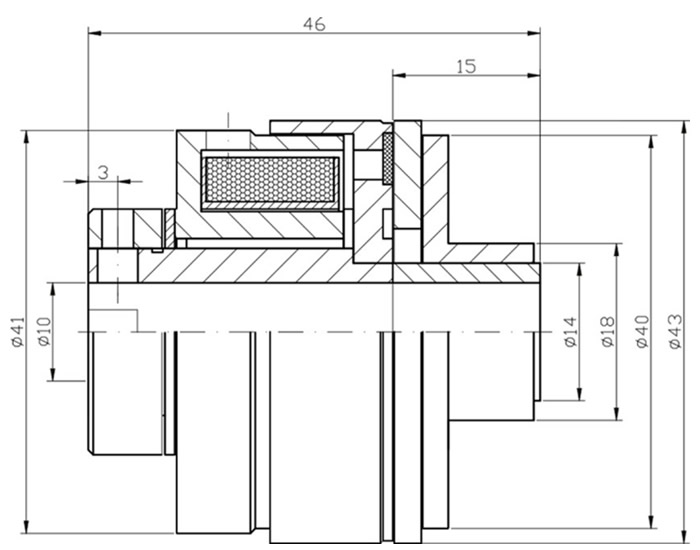
LHQ-43

点击放大
|
规格
|
静力矩(N.m)
|
动力矩(N.m)
|
额定电压(DC)
|
功率
(20°C) |
接通时间(ms)
|
断开时间(ms)
|
***大转速(r/min)
|
|
LHQ-43
|
1.1
|
1
|
24V
|
15W
|
55
|
50
|
1000
|
4、通用技术标准:
(1)、LHQ系列单片微型电磁离合器的绝缘耐温等级为E级,允许***高工作温度为120℃,绝缘强度为1000伏50/60赫兹1分钟,绝缘电阻为常温常湿状态下,直流500伏高阻表100兆欧以上。
(2)、常规寿命为500万次。(寿命会因实际负载、使用的工况的不同而有差异,故使用时务请合理确定实际负载和具体的工况)
5、订货需知:
订货时请详细注明型号规格和数量,若有特殊需求,请在双方商定后,在订货时作为补充条款附于合同后。
