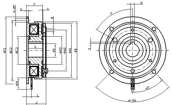
1、结构特点:
DLD11系列单片电磁离合器,是一种应用电磁原理的自动化执行元件,它是利用电磁力的作用来传递或中止机械转动中的扭矩。具有结构简单,安装方便,动作灵敏,无空载力矩,噪音低,性能稳定可靠等特点。
2、应用范围:
可用于各种机械传动系统中,起离合、点动、变速、换向等作用。
3、外形尺寸及技术术参数:

点击查看大图
2、应用范围:
可用于各种机械传动系统中,起离合、点动、变速、换向等作用。
3、外形尺寸及技术术参数:

点击查看大图
|
SIZE |
A1 |
A2 |
A3 |
B |
C1 |
C2 |
C3 |
F |
K |
J |
K |
||||||||
|
06 |
63 |
46 |
34.5 |
67.5 |
80 |
72 |
35 |
24 |
2.1 |
28 |
22 |
||||||||
|
08 |
80 |
60 |
41.5 |
85 |
100 |
90 |
42 |
26.5 |
2.6 |
31 |
24 |
||||||||
|
10 |
100 |
76 |
51.5 |
106 |
125 |
112 |
52 |
30 |
3.1 |
36 |
27 |
||||||||
|
12 |
125 |
95 |
61.5 |
133 |
150 |
137 |
62 |
33.5 |
3.6 |
40.5 |
30 |
||||||||
|
16 |
160 |
120 |
79.5 |
169 |
190 |
175 |
80 |
37.5 |
4.1 |
46.5 |
34 |
||||||||
|
20 |
200 |
125 |
99.5 |
213 |
230 |
215 |
100 |
44 |
5.1 |
55.5 |
40 |
||||||||
