企业资质

上海瑞京机电发展有限公司

普通会员18
|
企业等级:普通会员
经营模式:
所在地区:上海 上海
联系卖家:
手机号码:
公司官网:solenoids.com.cn
企业地址:
本企业已通过工商资料核验!
企业概况

上海瑞京机电发展有限公司,创立于上世纪九十年代初,公司会聚了一批长年从事电磁执行元件研究、开发的高级技术人才和锐意进取的年轻计算机才俊并拥有现代化的办公服务窗口,三千五百平方米配套齐全的规范化生产厂房和独立的公司网站,是一家集科技研发,自主生产于一体的,具有相当创新和制造实力的独资私营企业。我公司自......

单片电磁制动器(DHD15系列)

产品编号:1856685                    更新时间:2020-08-12
价格: 来电议定
上海瑞京机电发展有限公司

上海瑞京机电发展有限公司

  • 主营业务:电磁铁、旋转电磁铁、电磁制动器、电磁离合器、电磁吸盘、电磁螺...
  • 公司官网:solenoids.com.cn
  • 公司地址:

联系人名片:

联系时务必告知是在"产品网"看到的

产品详情
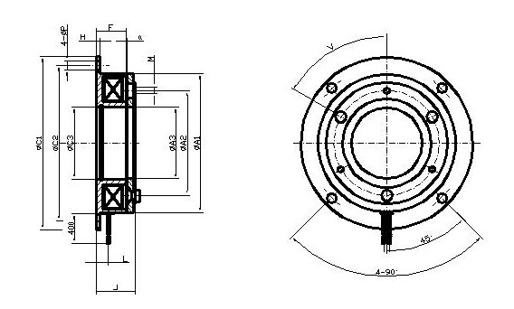
1、结构特点:
    DHD15系列单片电磁制动器,结构简洁,制动稳定性好,使用寿命长,安装形式多样,调整方便。

2、应用范围:
   可用于各类机械传动系统中,作为制动,保持,定位,高频传动等。

3、主要型号规格和技术参数:

DHD15

                                        点击查看大图

  
 

SIZE

A

A1

A2

C1

C2

C3

V1

V2

V3

6

63

46

34.5

80

72

35

3-3.1

3-6.3

3-15.5

8

80

60

41.5

100

90

42

3-4.1

3-8.0

3-7.0

10

100

76

51.5

125

112

52

3-5.1

3-10.5

3-8.5

12

125

95

61.5

150

137

62

3-6.1

3-12.0

3-11.0

16

160

120

79.5

190

175

80

3-8.1

3-15.0

3-13.0

20

200

158

99.5

230

215

100

3-10.2

3-18.0

3-17.0

25

250

210

124.5

290

270

125

3-12.2

4-22.0

4-20.0

SIZE

P

V

F

H

J

上海瑞京机电发展有限公司电话:传真:联系人:

地址:主营产品:电磁铁、旋转电磁铁、电磁制动器、电磁离合器、电磁吸盘、电磁螺...

Copyright © 2025 版权所有: 产品网店铺主体:上海瑞京机电发展有限公司

免责声明:以上所展示的信息由企业自行提供,内容的真实性、准确性和合法性由发布企业负责。产品网对此不承担任何保证责任。