1、结构特点:
ZDQJ-2交流失电制动器是在失电(不通电)状态时,由弹簧力将衔铁与摩擦片压紧产生摩擦力矩,摩擦片则通过联结与旋转轴相连结,从而使旋转轴停止转动,达到制动的目的.
当该制动器通电后,电磁力克服弹簧力吸引衔铁,使衔铁与摩擦片脱离,二者间的摩擦力也随之消失,使旋转轴处于自由状态.
由于ZDQJ-2交流失电制动器是在不通电的状态下具有稳定可靠的制动力矩,具有省能的特点,同时因其直接使用交流220V电源,无需整流装置,使用安装简易方便,动作响应速度快.
2、应用范围:
ZDQJ-2交流失电制动器因其失电制动和制动力矩产生和释放时间短,动作响应速度快的特点,适用于需高频操作的状态以及制动时间大于联动时间的状态,对传动系统,输送系统的停止,保持以及安全等有独特的作用.可广泛应用于微型减速电机系统中.
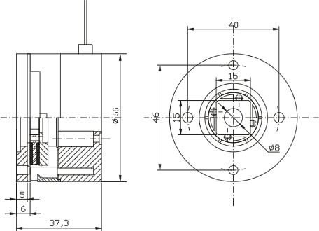
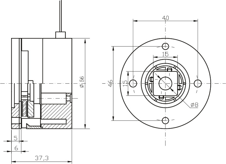
3、外形尺寸及技术参数:
3、外形尺寸及技术参数:
|
型号规格
|
制动力矩(N.m)
|
额定电压AC(V)
|
额定电流(A)
|
接通时间(ms)
|
断开时间(ms)
|
工作间隙(mm)
|
|
ZPQJ-2
|
1.8
|
220
|
0.11
|
20
|
20
|
0.2
|
4、使用注意事项:
(1)、使用的交流电源的电压波动不能超过额定电压值的&plu***n;5%;
(2)、使用的环境周围介质中应无操作的***和无足以腐蚀金属和***绝缘的气体及导电的尘埃。环境温度应在-5℃~+40℃之间。
(3)、安装时应将工作间隙调整到规定范围内。
(4)、联结套安装后不允许轴向窜动。
(5)、应保持衔铁与摩擦片间,相对摩擦面的洁净,制动器应在干式条件下工作。

